
| LC-300T-G技术参数表 Specification | ||||||||
| 注 射 裝 置 | INJECTION UNIT | 螺杆直徑 | mm | Φ60 | Φ65 | Φ70 | ||
| Screw Diameter | ||||||||
| 理論注射量 | ㎝3 | 848 | 995 | 1154 | ||||
| Theoretical Injection Volume | ||||||||
| 注塑質量(PS) | g(oz) | 788(27.8) | 925(32.6) | 1073(37.8) | ||||
| Injection Weight(PS) | ||||||||
| 射出速率 | cm3/sec | 288 | 338 | 392 | ||||
| Injection Rate | ||||||||
| 射出速度 | mm/s | 102 | 102 | 102 | ||||
| Injection Speed | ||||||||
| 最大注射壓力 | Mpa(kgf/cm2) | 198(2022) | 169(1723) | 146(1486) | ||||
| Max.Injection Pressure | ||||||||
| 螺杆轉速 | r.p.m | 0~220 | ||||||
| Screw Speed Rotation | ||||||||
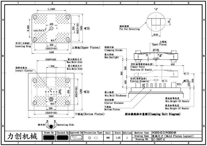
| 合 模 装 置 | CLAMPING UNIT | 合模力 | kN(tf) | 2940(300) | ||||
| Clamping Force | ||||||||
| 合模行程 | mm | 500 | ||||||
| Clamping Stroke | ||||||||
| 最小模厚 | mm | 400 | ||||||
| Min.Mold Thickness | ||||||||
| 最大開距 | mm | 900 | ||||||
| Max.Opening | ||||||||
| 柱間距(L*W) | mm | 1060*680 | ||||||
| Distance Between Tie Bars | ||||||||
| 最大模具尺寸(L*W) | mm | 900*700 | ||||||
| Max Mould Size | ||||||||
| 成品頂出距离 | mm | 150 | ||||||
| Ejector Distance | ||||||||
| 頂出力 | kN(tf) | 56.8(5.8) | ||||||
| Ejector Force | ||||||||
| 其 它 |
|
系統壓力 | Mpa(kgf/cm2) | 17.2(175) | ||||
| System Pressure | ||||||||
| 油箱容量 | L | 720 | ||||||
| Oil Tank Capacity | ||||||||
| 電機功率 | kW(HP) | 37.5(50) | ||||||
| Electric Power | ||||||||
| 電熱功率 | kW | 20 | ||||||
| Heater Power | ||||||||
| 機械尺寸 | L*W | mm | 5125*1910 | |||||
| Machine Dimension | H | mm | 3660 | |||||
| 機械重量 | tf | 13.5 | ||||||
| Machine Weight | ||||||||
| 制表(Table By):LWB | 客戶(Customer): | 審核(Approved By): | ||||||
| 日期(Date):2009.5.25 | 合約號(Sales Contract No): | 日期(Date): | ||||||
| 備注:標准配置 | ||||||||
